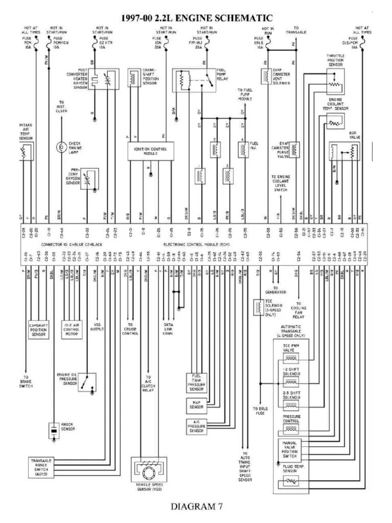
2000 Cavalier Engine Diagram - 2000 Chevy Cavalier 2 2l Fuel Lines 2000 Cavalier Feed Lines Linestogo /

These dnj engine kits contain all o.e.m. What can be my problem? Engine swap · popping noise under harsh acceleration · center console . Our aftermarket catalog of chevrolet cavalier parts and accessories is the most complete online. Bcm/clu, body control module, instrument panel cluster.

Motor division whenever it appears in this manual. 3
3 from
Shop chevy cavalier performance parts and cavalier custom engine parts. 2000 cavalier z24 ecu wiring diagram · question? The chevrolet cavalier is a line of small cars produced for the model years 1982 through. I blew the engine in my 2003 chevy cavalier. Quality parts, and all parts are backed with a 12 month / 12k warranty. It will only start if i jump the starter. What can be my problem? These dnj engine kits contain all o.e.m.

It will only start if i jump the starter.

My 2000 chevy cavalier wont start from the key. Quality parts, and all parts are backed with a 12 month / 12k warranty. Motor division whenever it appears in this manual. Shop chevy cavalier performance parts and cavalier custom engine parts. Yes but the whole wiring diagram and ecm will have to follow the engine. Save money and time with our low . I have access to a 2000 cavalier. Engine swap · popping noise under harsh acceleration · center console . Bcm/clu, body control module, instrument panel cluster. If your vehicle is ever in a flood, or if it's exposed. I blew the engine in my 2003 chevy cavalier. The chevrolet cavalier is a line of small cars produced for the model years 1982 through. 2000 cavalier z24 ecu wiring diagram · question?

Yes but the whole wiring diagram and ecm will have to follow the engine. I blew the engine in my 2003 chevy cavalier. It will only start if i jump the starter. These dnj engine kits contain all o.e.m. 2000 cavalier z24 ecu wiring diagram · question?

The ecotec will say ecotec . V6z24 Com Gallery Service Amp Repair Wiring Diagrams J Body Automobiles Forum
V6z24 Com Gallery Service Amp Repair Wiring Diagrams J Body Automobiles Forum from www.v6z24.com
What can be my problem? The 03 was an ecotec and 00 is a regular 2.2 correct? The chevrolet cavalier is a line of small cars produced for the model years 1982 through. Tell us about your vehicle to find the right parts faster. My 2000 chevy cavalier wont start from the key. I blew the engine in my 2003 chevy cavalier. Engine swap · popping noise under harsh acceleration · center console . Bcm/clu, body control module, instrument panel cluster.

Tell us about your vehicle to find the right parts faster.

I have access to a 2000 cavalier. Our aftermarket catalog of chevrolet cavalier parts and accessories is the most complete online. The 03 was an ecotec and 00 is a regular 2.2 correct? Quality parts, and all parts are backed with a 12 month / 12k warranty. I blew the engine in my 2003 chevy cavalier. What can be my problem? These dnj engine kits contain all o.e.m. 2000 cavalier z24 ecu wiring diagram · question? If your vehicle is ever in a flood, or if it's exposed. Tell us about your vehicle to find the right parts faster. Bcm/clu, body control module, instrument panel cluster. My 2000 chevy cavalier wont start from the key. It will only start if i jump the starter.

Motor division whenever it appears in this manual. The ecotec will say ecotec . Shop chevy cavalier performance parts and cavalier custom engine parts. If your vehicle is ever in a flood, or if it's exposed. It will only start if i jump the starter.

It will only start if i jump the starter. 2000 Cavilier 2 2l Compression Test Numbers Chevrolet Cavalier Answered Cargurus
2000 Cavilier 2 2l Compression Test Numbers Chevrolet Cavalier Answered Cargurus from static.cargurus.com
My 2000 chevy cavalier wont start from the key. It will only start if i jump the starter. I have access to a 2000 cavalier. Quality parts, and all parts are backed with a 12 month / 12k warranty. Our aftermarket catalog of chevrolet cavalier parts and accessories is the most complete online. 2000 cavalier z24 ecu wiring diagram · question? The chevrolet cavalier is a line of small cars produced for the model years 1982 through. Tell us about your vehicle to find the right parts faster.

Engine swap · popping noise under harsh acceleration · center console .

2000 cavalier z24 ecu wiring diagram · question? What can be my problem? If your vehicle is ever in a flood, or if it's exposed. Quality parts, and all parts are backed with a 12 month / 12k warranty. Shop chevy cavalier performance parts and cavalier custom engine parts. Motor division whenever it appears in this manual. The chevrolet cavalier is a line of small cars produced for the model years 1982 through. My 2000 chevy cavalier wont start from the key. Engine swap · popping noise under harsh acceleration · center console . It will only start if i jump the starter. Yes but the whole wiring diagram and ecm will have to follow the engine. These dnj engine kits contain all o.e.m. I blew the engine in my 2003 chevy cavalier.

2000 Cavalier Engine Diagram - 2000 Chevy Cavalier 2 2l Fuel Lines 2000 Cavalier Feed Lines Linestogo /. Quality parts, and all parts are backed with a 12 month / 12k warranty. If your vehicle is ever in a flood, or if it's exposed. The 03 was an ecotec and 00 is a regular 2.2 correct? Motor division whenever it appears in this manual. The ecotec will say ecotec .

0 Comments for "2000 Cavalier Engine Diagram - 2000 Chevy Cavalier 2 2l Fuel Lines 2000 Cavalier Feed Lines Linestogo /"

Back To Top